MicroNova based pellet stove
The MicroNova component allows you to integrate a pellet stove with a MicroNova board in ESPHome. It uses UART for communication.
The UART must be configured with a baud rate 1200, 8 data bits, 2 stop bits, no parity, no flow control.
⚠️ Warning
MicroNova bords come in various flavours. This code is only tested on an ExtraFlame Ketty Evo 2.0 stove. The protocol is not documented but has been reverse engineerd by others. See the links below for all the info that helped me. The different sensors, buttons and stove switch may require specific memory_location and memory_address parameters that match your MicroNova specific board.
Also, switching your stove on or off can behave different on the various MicroNova flavours.
Use this component at your own risk.
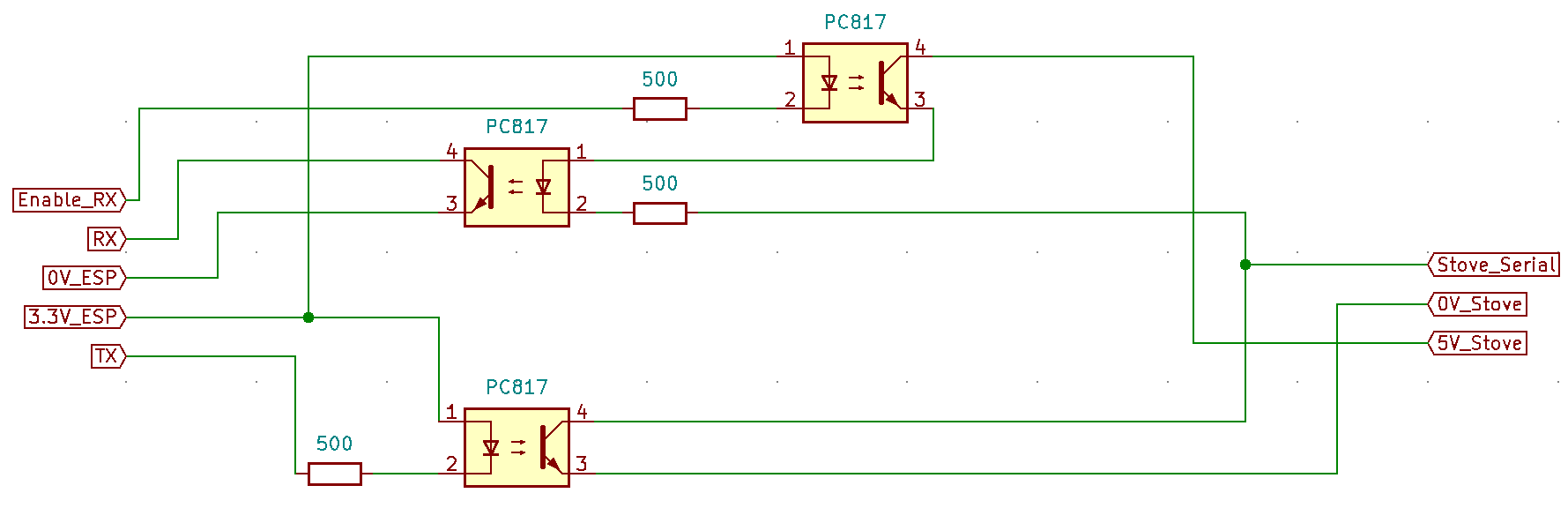
Connecting your stove
Most MicroNova based pellet stoves have a serial output. In most cases this output has 4 pins: GND, 5v, 20V and DATA.


You will have to build a simple circuit to interface with your stove. It is based on optocouplers for galvanic separation and logic level shifting between 5v and 3V3.

See the references below for all the details about te circuit.
You can use the 5V output from the stove to power the ESP module, but you will have to put a voltage regulator in between to get 3v3.
Component/Hub
micronova:
enable_rx_pin: GPIOXXConfiguration variables
- enable_rx_pin (Required, Pin): Output pin to be used to switch the line between RX and TX.
ℹ️ Note
For all text sensors, sensors, numbers, buttons and switches hereafter most of the default memory_location and memory_address parameters will work so you should not specify them. However your Micronova board may require you to specify alternate values. So every text sensor, button, switch or number accepts these parameters:
memory_location (Optional): The memory location for the parameter (0x00 for RAM, 0x20 for EPROM on most stoves). The write bit is set automatically when writing.
memory_address (Optional): The address where the parameter is stored.
Text Sensors
text_sensor:
- platform: micronova
stove_state:
name: Stove statusConfiguration variables
- stove_state (Optional): The current stove state.
- update_interval (Optional, Time): The interval that the sensors should be checked. Defaults to 60 seconds.
- All options from Text Sensor.
Sensors
sensor:
- platform: micronova
room_temperature:
name: Room temperature
fumes_temperature:
name: Fumes temperature
stove_power:
name: Stove power level
fan_speed:
fan_rpm_offset: 240
name: Fan RPM
water_temperature:
name: Water temperature
water_pressure:
name: Water pressure
memory_address_sensor:
memory_location: 0x20
memory_address: 0x7d
name: Custom Address sensorConfiguration variables
room_temperature (Optional): Sensor that reads the stoves ambient room temperature.
fumes_temperature (Optional): Fumes temperature.
stove_power (Optional): Current stove power.
fan_speed (Optional): Current fan speed. The raw value from the stove is multiplied by 10 +
fan_rpm_offset.water_temperature (Optional): Internal boiler water temperature.
water_pressure (Optional): Internal boiler water pressure.
memory_address_sensor (Optional): Can be any memory_location / memory_address you want to track. Useful when you don’t know where the parameter for your stove is.
- memory_location (Required): The memory location for the parameter (0x00 for RAM, 0x20 for EPROM on most stoves).
- memory_address (Required): The address where the parameter is stored.
- update_interval (Optional, Time): The interval that the sensors should be checked. Defaults to 60 seconds.
- All options from Sensor.
Numbers
number:
- platform: micronova
thermostat_temperature:
name: Thermostat temperature
step: 0.5
power_level:
name: Thermostat temperatureConfiguration variables
- thermostat_temperature (Optional): Number that holds the current stove thermostat value.
- power_level (Optional): Number that sets/reads the requested stove power.
Buttons
button:
- platform: micronova
custom_button:
name: Custom button
memory_location: 0x20
memory_address: 0x7d
memory_data: 0x08Configuration variables
- custom_button (Optional): Write the hex value memory_data to a memory_location and memory_address
All options from Button.
- memory_location (Required): The memory location for the parameter (0x00 for RAM, 0x20 for EPROM on most stoves). The write bit is set automatically.
- memory_address (Required): The address where the parameter is stored.
- memory_data (Required): The hex value to be written to the memory_location and memory_address.
Switches
switch:
- platform: micronova
stove:
name: Stove on/off switchConfiguration variables
- stove (Optional): Turn the stove on or off. This switch will also reflect the current stove state. If the stove_state is “Off” the switch will be off, in all other states, the switch will be on.
ℹ️ Note
Besides memory_location and memory_address you can specify specific memory_data_on and memory_data_off parameters. These parameters contain the hex value to be written to the memory_location and memory_address when the switch turns on or off.
- memory_data_on (Optional): The data to write when turning the switch on.
- memory_data_off (Optional): The data to write when turning the switch off.